Получи бесплатную консультацию!
Наши специалисты ответят на все ваши вопросы
Нажимая на кнопку, вы даете согласие на обработку персональных данных и соглашаетесь
c политикой конфиденциальности
МУП «Водоканал»
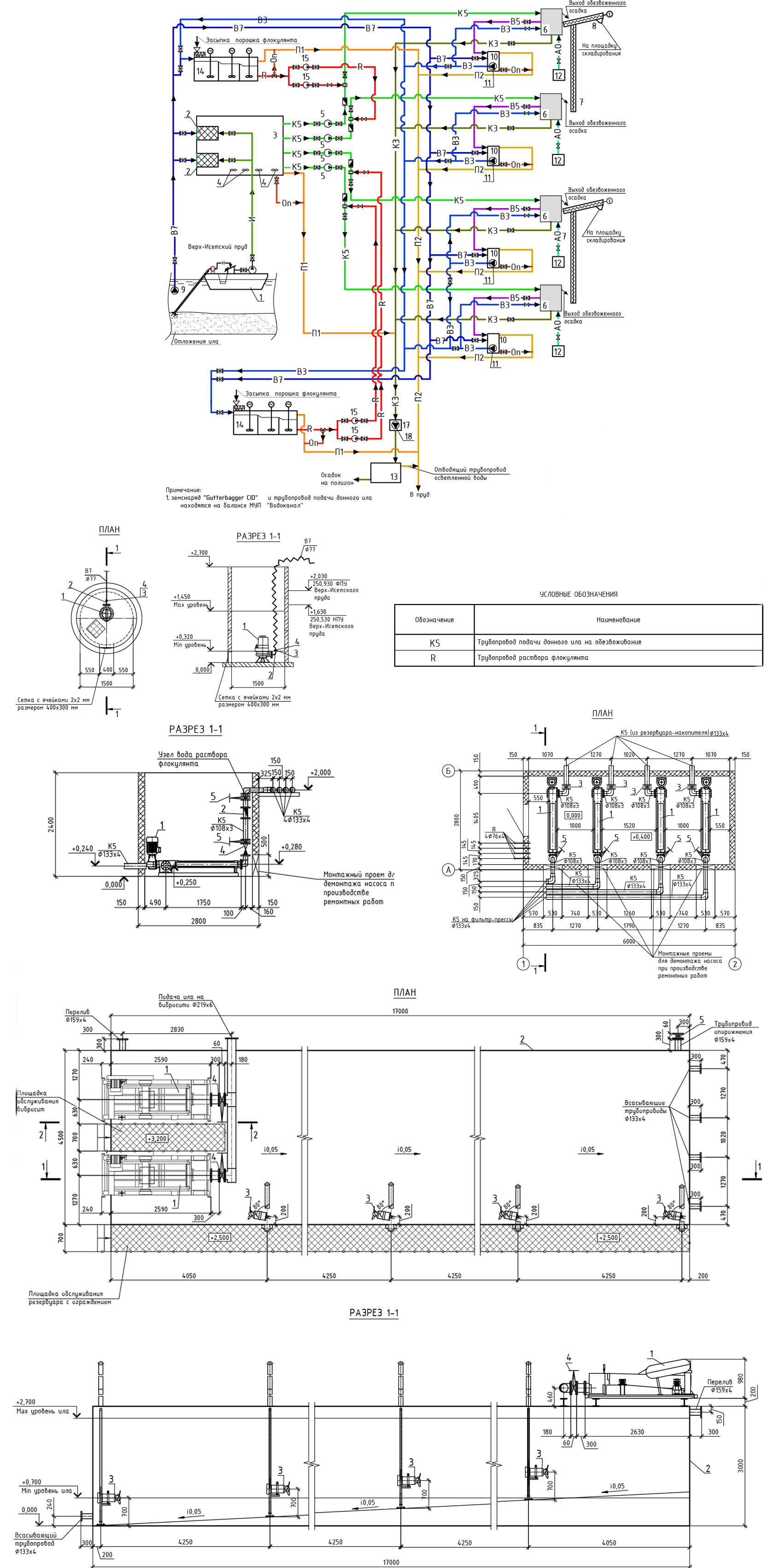
Режим работы сооружений — сезонный (апрель-октябрь). На зимний период сооружения подлежат консервации. Проектируемые сооружения относятся к природоохранным мероприятиям, направленным на оздоровление экологической обстановки в г. Екатеринбурге и его окрестностях. Обезвоженный осадок (кек) вывозится на полигон ТБО или, после проведения исследований состава обезвоженного кека, получения разрешения органов Роспотребнадзора может использоваться в качестве удобрения для нужд озеленения. Технологические стадии обработки осадка включают: реагентную обработку осадка раствором флокулянта; обезвоживание осадка на фильтр-прессе; отведение обезвоженного осадка; отведение возвратных технологических потоков — фильтрата и промывной воды от регенерации фильтровальных лент в пруд после отстаивания.
Резервуар-накопитель ила V=230 м3. Насосная станция дозирования осадка. Здание механического обезвоживания осадка. Резервуар производственной канализации V=240 м3. Станция приготовления флокулянта 2 шт. .Площадка складирования обезвоженного ила S = 324 м². Насос подачи воды на производственные нужды.
Инженерныне изыскания, предпроектная проработка, проектная документация
Производительность сооружений по обезвоживанию донного ила (по сухому веществу) т/сут 120. Режим
Технико-экономические показатели: в период эксплуатации фильтр-пресса в емкости технической воды отводится вода (условно чистая) из сгустителей фильтр-прессов в количестве 1500 м3/сут., которая используется для промывки лент фильтр-пресса и приготовления флокулянта. Излишек воды в количестве 200 м3/сут отводится в пруд. Количество загрязненной воды составляет 1440 м3/сут. Данные стоки направляются в резервуар производственной канализации, где стоки отстаиваются в течение 1,5 часов и затем сбрасываются в пруд. В виду того, что сооружения обезвоживания работают только в летний период года технологические трубопроводы диаметром 50−200 мм приняты стальными и укладываются наземно.
Наши клиенты
г. Екатеринбург,
ул. Мамина-Сибиряка, 101,
БЦ "Манхэттен", оф. 2.17.